変圧器ブッシング 複合樹脂シリコンブッシング

非磁器タイプ、シリコン/エポキシ樹脂のみ

電圧10~40.5kV、電流200A~4000A

IEC / IEEE規格

主要 特徴

一体成型によるシリコンゴムハウジング。優れた疎水性、耐汚染性、優れた電気絶縁性、耐老化性を備えており、汚染フラッシュオーバー事故を効果的に防止し、高圧送電線の安全運転を確保します。

改質ガラス繊維強化エポキシ樹脂ロッドは、高温、応力腐食、酸攻撃に対する耐性が優れているほか、優れた減衰作用、高い引張強度(> 1200Mpa)、クリープおよび疲労破壊に対する耐性があり、絶縁体の内部絶縁品質と機械的強度を効果的に保証するために使用されています。

音声操作式変位型圧着機を用いて、エンドフィッティングをグラスファイバーロッドに圧着します。この圧着技術を用いた絶縁体は、高い機械的強度とばらつきの少なさを特徴としています。生産・組立には、最先端の全自動射出成形技術と圧着接続方式を採用し、圧着工程全体をコンピュータ制御し、圧着結果を超音波検出器で監視することで、各製品の良否判定を行っています。

当社では、ほぼあらゆる種類の顧客要件/仕様に応じて、複数の接続スタイルとカスタマイズされたソリューションを提供しています。

 

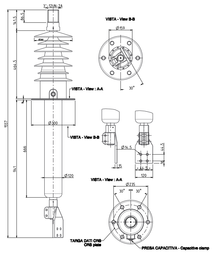
CRS (IEC) CRS用 (24-36KV/250-630A)

 

CRS(IEEE)-25-34.5kV 3000A

 

 

 

 

◆スペシャルカスタマイズ

上記のパラメータは標準的なデータです。既存のスタイルがお客様の特定の要求を満たさない場合は、カスタム デザインについてお問い合わせください。当社は、パーソナライズされたカスタマイズの開発と製造のスキルに優れており、世界中のお客様に合わせたソリューションを提供できます。